特徴
①LAN回線を物理層で切替する装置です。
②切替ユニットは3ユニットまで実装が可能です。
③遠隔切替コントロールが可能です。
LAN回線による遠隔切替が可能です。
- RS-232C
- TCP/IP(Web/Telnet)での切替が可能です。
- SNMPに対応しています。
- 外部接点入力による切替も可能です。
④手動切替スイッチによる手動切替が可能です。
⑤切替部にラッチングリレーを利用しているため、停電時もそのルートを維持します。
⑥機器の電源は、2系統入力対応で、片系停電時も、切替動作が可能です。
切替時間の設定
装置の切替え時にA、Bルートのいずれにも接続しない中立状態になるタイマーを実装しています。
装置の入力電源
装置の入力電源はAC100V、2系統入力が可能です。
片側の電源が低下又は停電しても装置の機能は失われずに運用可能です。
遠隔切替操作画面
①Webサーバー機能を実装しており、遠隔から切替設定が可能です。
② SNMP機能
装置の状態、装置の切替はSNMPにより切替えが可能です。最大3箇所までの設定が可能です。
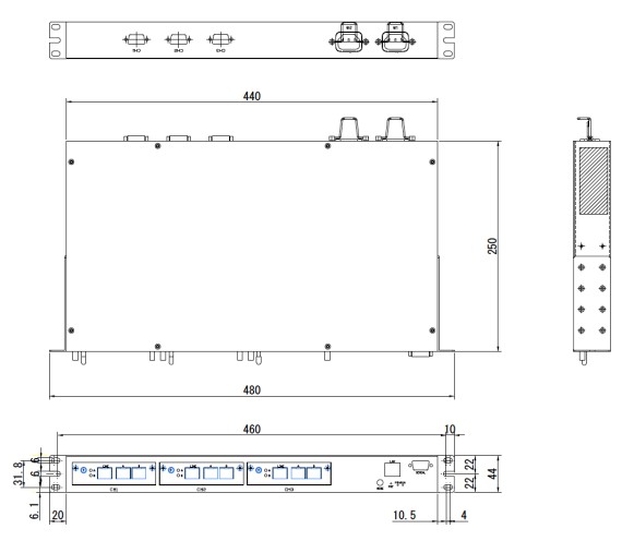
寸法図
系統図(1ユニット)
ハード仕様
| 伝送速度 | 10/100/1000M対応 ※ LAN・1000BASE−T 配線の動作確認はしておりますが、LAN・Cat5e 規格製品では有りません。 |
|---|---|
| 遠隔制御 | ・RS-232C ・TCP/IP Web、telnet、SNMP、接点により切替可能 |
| 手動切替 | 前面SWにより手動切替可能 |
| 電源 | AC100V、2系統入力可能 |
| 消費電力 | 無負荷時:10W以下 |
| 入出力 | RJ-45モジュラージャック |
| 外形寸法 | 幅480×奥行250(突起含まず)×高さ44mm (1Uサイズ準拠) |
| 重量 | 6Kg以下 |
| 動作温度 | 0℃~50℃ 自然空冷 |
| 動作湿度 | 20~80% 結露無きこと |
| VCCI | クラスA 準拠 |
※新型番「IPSWL2-03」と旧型番「IPSW2-03」の切替ユニットは互換性があります。
ソフト仕様
| 設定機能 | ・telnetによる設定 ・WWWブラウザでの設定 ・SNMPでの設定 ・FTPでの設定(ファイルなど) |
|---|---|
| セキュリティ | ログインは、ホスト名、パスワードの設定による。 |
| SNMP | ・MIB-Ⅱ(RFC1213MIB-Ⅱ)及び、プライベートMIB ・トラップは最大3ホストに送信可能 |
| FTPサーバ | アプリケーションのバージョンUP |
| 切替え操作 | ・SNMPでの操作 ・WWWブラウザでの操作 |
| HTTPサーバ | WWWブラウザにより、状態監視が可能。 |
| NTPクライアント | NTPまたはSNTPサーバに時刻を同期させる。 |
よくある質問
回線を切り替えるユニット数に応じてバリエーションがあります。
1ルートのみの場合は1ユニット搭載タイプをご選定ください。
単品での購入も可能です。1ユニット搭載タイプ、2ユニット搭載タイプをご購入の方は、本体購入後に後付けで空いているスロットに追加ができます。
ご購入前の評価検証用としてお貸出しが可能です。お問い合わせフォームにてご用命ください。
※実機の保有台数に限りがございますため、貸し出し中の場合はお待ちいただくことがあります。
切替動作は1秒程度となります。
納品後1年間のセンドバック保証対応となります。
有償スポット対応(センドバック)となります。
期間のコミットはしておりませんが、おおよそ1.5~2週間程度お時間をいただいております。
修理リードタイムを許容できない場合は、追加で予備機をご購入いただいております。
※昨今の半導体製品の枯渇により部品調達に時間を要しておりますので、上記以上の期間がかかることがあります。
電解コンデンサの交換周期や、完全には除去しきれないプリント基板などのほこり等を考慮して、耐用年数は6年としています。
設置作業については、お客様にて実施いただける内容となっております為、基本的に当社では設置サービスご提供はしておりません。
■電気用品安全法
適合外のため未取得となります。
付属の3ピンインレットケーブルについては特定電気用品に適合しています。
■電波法、および電気通信事業法
本製品は物理的にLAN回線を切替するものであり、特定無線設備または特定端末機器に非該当となります。
公衆回線等の電気通信事業者のネットワークに接続する用途では設計しておらず取得しておりません。
■その他
- RoHS指令に適合
- VCCI クラスA 準拠 (表示はしておりません。)
2011年より販売開始し、累計1000台程度の納入実績があります。(2022年5月段階)
SSHは非対応となります。
切替操作は以下に対応しております。
- 本体側のトグルスイッチでの切替
- リモートユニットのHTTP(webサーバー)による操作での切替
- リモートユニットのSNMPによる操作でのトラップでの切替
- リモートユニットのTELNETによるコマンドでの操作での切替
- 外部接点入力での切替
切替ユニットの片側を未接続にすることで対応可能です。
【例】
Aルート:ルータに接続
Bルート:未接続
本装置内蔵のリモートユニットにIPアクセスできる端末であれば操作画面から切替操作が可能です。
切替操作のログ記録および出力の機能はサポートしておりません。
画面上もしくはSNMPで接続系統(Aルート or Bルート)を照会する操作となります。
お問い合せフォームからお問い合わせください。
担当よりご案内させていただきます。